行业新闻
上港集团公布最新服务收费标准,4月1日起实施
发布时间:2019-04-04 09:47:00      来源:来源:港口圈

为积极响应交通运输部、国家发展改革委《关于修订印发<港口收费计费办法>的通知》(交水规〔2019〕2号)(以下简称《办法》)的文件内容,3月29日,上港集团(600018)发布公告,在上港集团服务收费目录清单原有基础上实施调整,特制定上港集团服务收费目录清单(201903版),清单公示了上港集团港口经营人的收费项目、对应的服务内容和收费标准。

新的收费标准从2019年4月1日起执行,原上港集团服务收费目录清单(201606版)同时废止。

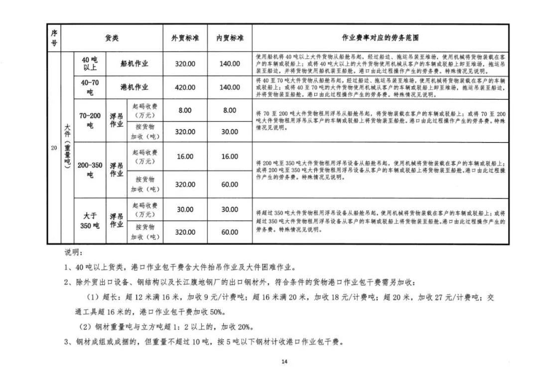
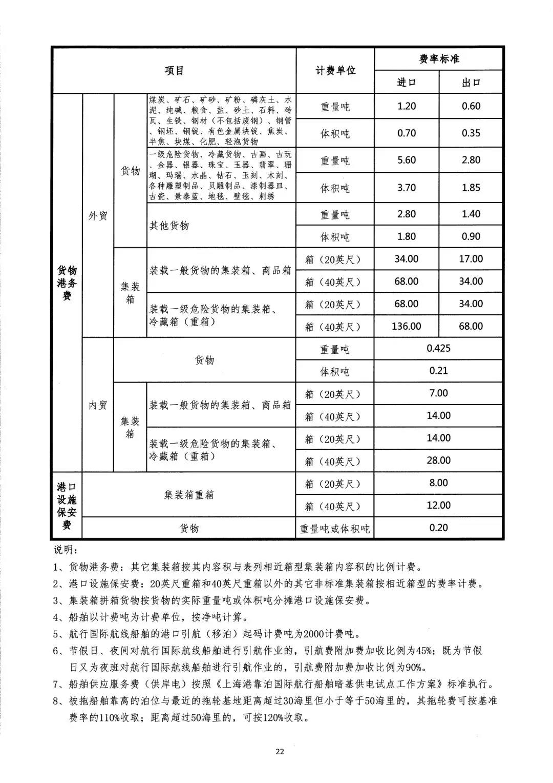
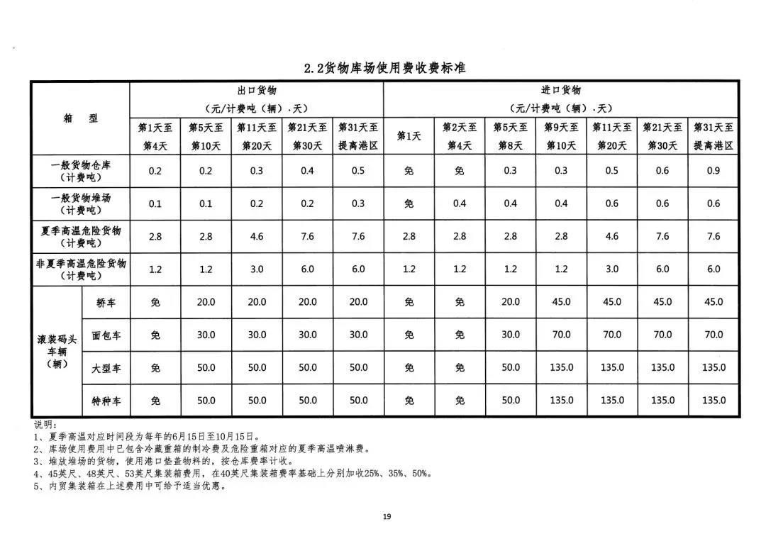
上港集团服务收费目录清单

























你知道你的Internet Explorer是过时了吗?

为了得到我们网站最好的体验效果,我们建议您升级到最新版本的Internet Explorer或选择另一个web浏览器.一个列表最流行的web浏览器在下面可以找到.